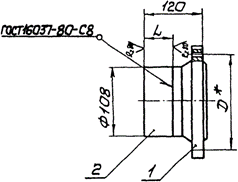
Патрубок ПФ-1. ЗК4-209-89.
 |
Основные технические характеристики
| Условное наименование |
Dy, mm |
Py MPa (кгс/см*см) |
Материал |
Масса, кг |
| ПФ-1 |
100 |
0,6(6,0) |
ст 20 |
4,3 |
| ПФ-2 |
ст 12Х18Н10Т |
| ПФ-3 |
ст 10Х17Н13М3Т |
| ПФ-4 |
100 |
1,6(16) |
ст 20 |
5,9 |
| ПФ-5 |
ст 12Х18Н10Т |
| ПФ-6 |
100 |
4,0(40) |
ст 20 |
7,9 |
| ПФ-7 |
ст 12Х18Н10Т |
|